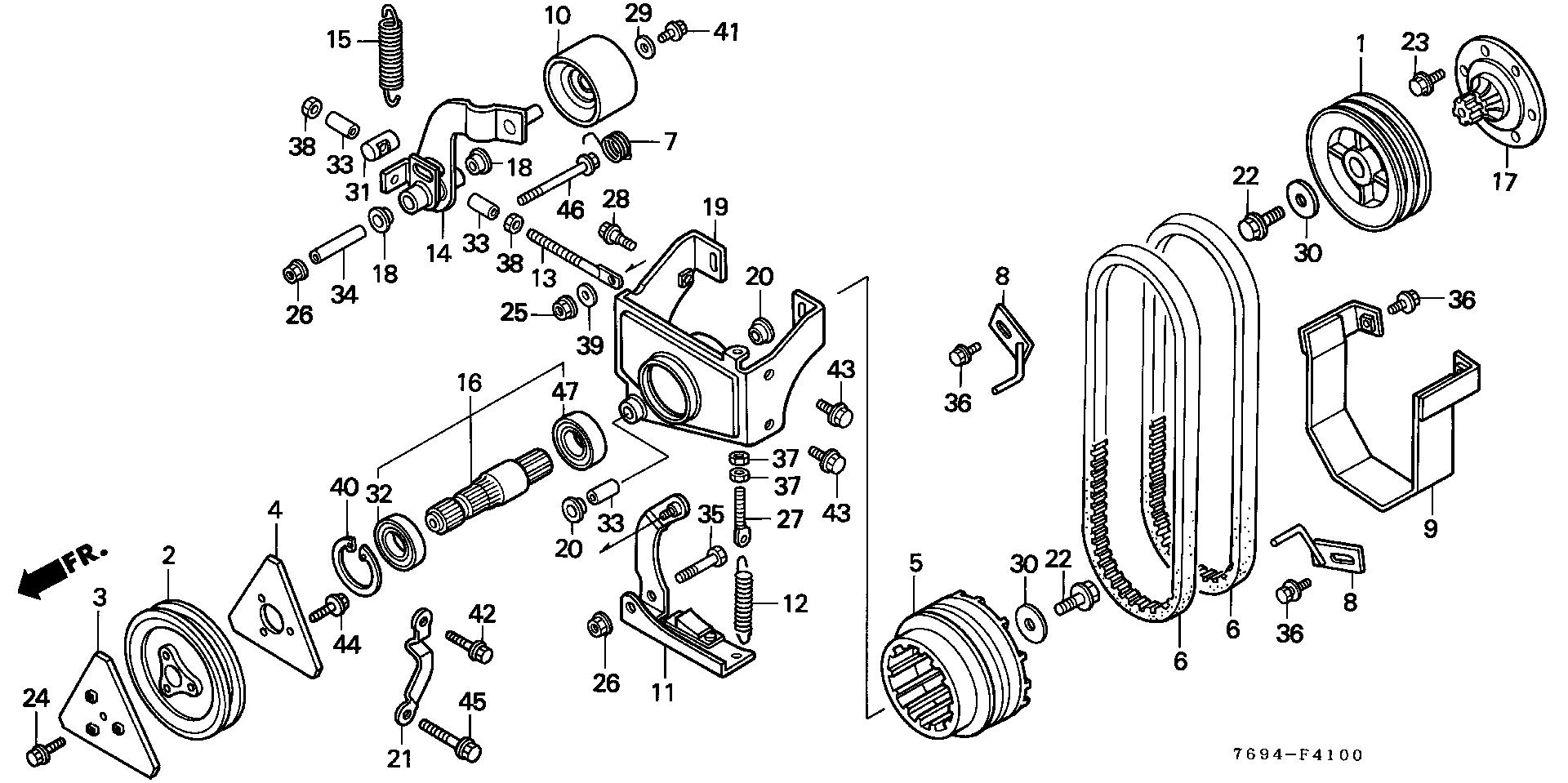
Multi Purpose Tractor H H5518 H5518 NAC2/B TZAC-3600001-9999999 FRONT P.T.O. SHAFT - Budke PowerSports

Ref No
Part Number
Description
Serial Range
Qty
Price

Ref No
1
Part Number
22411-769-000
Description
PULLEY, DRIVE (124MM)
Serial Range
1000001 - 9999999

Ref No
2
Part Number
22413-769-000
Description
PULLEY, FR. P.T.O. DRIVE (145MM) (NOT AVAILABLE)
Serial Range
1000001 - 9999999

Ref No
3
Part Number
22418-769-000
Description
PATCH, PULLEY (A)
Serial Range
1000001 - 9999999

Ref No
4
Part Number
22419-769-000
Description
PATCH, PULLEY (B)
Serial Range
1000001 - 9999999

Ref No
5
Part Number
22422-769-000
Description
PULLEY, DRIVEN (119MM)
Serial Range
1000001 - 9999999

Ref No
6
Part Number
22431-769-003
Description
V-BELT (SB-35)
Serial Range
1000001 - 9999999

Ref No
7
Part Number
22437-769-000
Description
SPRING, TENSIONER RETURN
Serial Range
1000001 - 9999999

Ref No
8
Part Number
22441-769-000
Description
STOPPER A, BELT
Serial Range
1000001 - 9999999
Qty
Price
$19.60

Ref No
9
Part Number
22442-769-000
Description
STOPPER B, BELT
Serial Range
1000001 - 9999999

Ref No
10
Part Number
22466-769-003
Description
ROLLER, TENSION (NOT AVAILABLE)
Serial Range
1000001 - 9999999

Ref No
11
Part Number
22516-769-003
Description
BRAKE, FR. P.T.O. (NOT AVAILABLE)
Serial Range
1000001 - 9999999

Ref No
12
Part Number
22517-769-000
Description
SPRING, P.T.O. BRAKE
Serial Range
1000001 - 9999999

Ref No
13
Part Number
22519-769-000
Description
ROD, FR. P.T.O. BRAKE ARM
Serial Range
1000001 - 9999999

Ref No
14
Part Number
22520-769-000
Description
ARM, TENSIONER (NOT AVAILABLE)
Serial Range
1000001 - 9999999

Ref No
15
Part Number
22531-769-000
Description
SPRING, BELT TENSION
Serial Range
1000001 - 9999999

Ref No
16
Part Number
23310-769-000
Description
SHAFT, FR. P.T.O.
Serial Range
1000001 - 9999999

Ref No
17
Part Number
40611-769-000
Description
SHAFT, FR. P.T.O.
Serial Range
1000001 - 9999999

Ref No
18
Part Number
47164-759-000
Description
BUSH, PARKING BRAKE
Serial Range
1000001 - 9999999
Qty
Price
$5.34

Ref No
19
Part Number
50251-769-000
Description
BRACKET, FR. P.T.O.
Serial Range
1000001 - 9999999

Ref No
20
Part Number
54429-762-003
Description
BUSH, CHANGE ARM
Serial Range
1000001 - 9999999
Qty
Price
$3.68

Ref No
21
Part Number
75511-752-830
Description
STOPPER, V-BELT DRIVEN (NOT AVAILABLE)
Serial Range
1000001 - 9999999

Ref No
22
Part Number
90013-430-000
Description
BOLT, SPECIAL (10X25)
Serial Range
1000001 - 9999999
Qty
Price
$8.66

Ref No
23
Part Number
90101-HN2-680
Description
BOLT, UBS (8X17)
Serial Range
1000001 - 9999999
Qty
Price
$5.24

Ref No
24
Part Number
90105-752-630
Description
BOLT, FLANGE (8X20)
Serial Range
1000001 - 9999999
Qty
Price
$4.54

Ref No
25
Part Number
90114-SA0-000
Description
NUT, SELF-LOCK (6MM)
Serial Range
1000001 - 9999999
Qty
Price
$3.90

Ref No
26
Part Number
90115-659-003
Description
NUT, SELF-LOCK (8MM) (CLINCH)
Serial Range
1000001 - 9999999
Qty
Price
$0.94

Ref No
27
Part Number
90117-769-000
Description
BOLT, ADJUSTING (6MM)
Serial Range
1000001 - 9999999

Ref No
28
Part Number
90125-752-B00
Description
BOLT (8X20)
Serial Range
1000001 - 9999999

Ref No
29
Part Number
90453-752-B00
Description
WASHER (6MM)
Serial Range
1000001 - 9999999

Ref No
30
Part Number
90471-VB4-000
Description
WASHER (10.5X40X4)
Serial Range
1000001 - 9999999
Qty
Price
$13.48

Ref No
31
Part Number
90701-759-010
Description
PIN, CLUTCH LEVER
Serial Range
1000001 - 9999999

Ref No
32
Part Number
91051-HA7-671
Description
BEARING, RADIAL BALL (28X52X12)
Serial Range
1000001 - 9999999
Qty
Price
$44.00

Ref No
33
Part Number
91501-769-000
Description
COLLAR, FR. P.T.O. BRAKE
Serial Range
1000001 - 9999999

Ref No
34
Part Number
91502-769-000
Description
COLLAR (8X12X64.3)
Serial Range
1000001 - 9999999

Ref No
35
Part Number
92201-08045-0H
Description
BOLT, HEX. (8X45) (NOT AVAILABLE)
Serial Range
1000001 - 9999999

Ref No
36
Part Number
93404-06016-08
Description
BOLT-WASHER (6X16)
Serial Range
1000001 - 9999999
Qty
Price
$1.98

Ref No
37
Part Number
94002-06080-0S
Description
NUT, HEX. (6MM)
Serial Range
1000001 - 9999999
Qty
Price
$1.60

Ref No
38
Part Number
94002-08000-0S
Description
NUT, HEX. (8MM)
Serial Range
1000001 - 9999999
Qty
Price
$1.60

Ref No
39
Part Number
94103-06800
Description
WASHER, PLAIN (6MM)
Serial Range
1000001 - 9999999
Qty
Price
$0.96

Ref No
40
Part Number
94524-52000
Description
CIRCLIP (INNER) (52MM)
Serial Range
1000001 - 9999999
Qty
Price
$3.84

Ref No
41
Part Number
95701-06016-08
Description
BOLT, FLANGE (6X16)
Serial Range
1000001 - 9999999
Qty
Price
$1.82

Ref No
42
Part Number
95701-08016-08
Description
BOLT, FLANGE (8X16)
Serial Range
1000001 - 9999999
Qty
Price
$2.20

Ref No
43
Part Number
95701-08020-08
Description
BOLT, FLANGE (8X20)
Serial Range
1000001 - 9999999
Qty
Price
$1.98

Ref No
44
Part Number
95701-08038-08
Description
BOLT, FLANGE (8X38)
Serial Range
1000001 - 9999999
Qty
Price
$2.78

Ref No
45
Part Number
95701-10020-08
Description
BOLT, FLANGE (10X20)
Serial Range
1000001 - 9999999
Qty
Price
$2.74

Ref No
46
Part Number
95801-08085-08
Description
BOLT, FLANGE (8X85)
Serial Range
1000001 - 9999999

Ref No
47
Part Number
96150-62050-10
Description
BEARING, RADIAL BALL (6205UU)
Serial Range
1000001 - 9999999
Qty
Price
$42.14