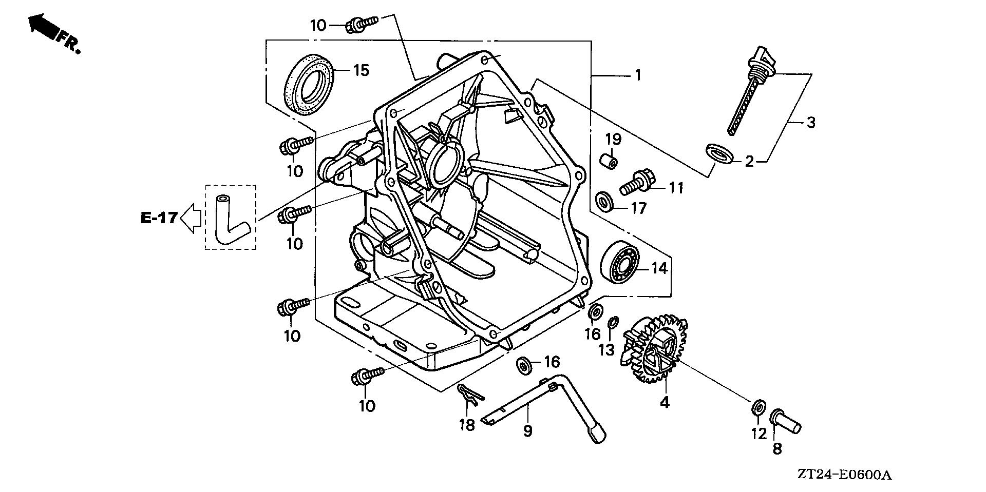
Generators EN EN2000 EN2000 A EZFR-1000001-9999999 CRANKCASE COVER - Budke PowerSports

Ref No
Part Number
Description
Serial Range
Qty
Price

Ref No
1
Part Number
11300-ZL8-406
Description
COVER ASSY., CRANKCASE (NOT AVAILABLE)
Serial Range
1000001 - 9999999

Ref No
2
Part Number
15625-ZE1-003
Description
GASKET, OIL FILLER CAP
Serial Range
1000001 - 9999999
Qty
Price
$3.32

Ref No
3
Part Number
15650-ZL8-003
Description
GAUGE ASSY., OIL LEVEL
Serial Range
1000001 - 1805025

Ref No
3
Part Number
15650-ZL8-013
Description
GAUGE ASSY., OIL LEVEL
Serial Range
1805026 - 9999999
Qty
Price
$5.22

Ref No
4
Part Number
16510-ZL8-000
Description
GOVERNOR ASSY.
Serial Range
1805026 - 9999999
Qty
Price
$11.88

Ref No
8
Part Number
16531-ZE1-000
Description
SLIDER, GOVERNOR
Serial Range
1000001 - 9999999
Qty
Price
$3.54

Ref No
9
Part Number
16541-ZL8-000
Description
SHAFT, GOVERNOR ARM
Serial Range
1000001 - 9999999

Ref No
10
Part Number
90121-952-000
Description
BOLT, FLANGE (6X25) (CT200)
Serial Range
1000001 - 9999999
Qty
Price
$2.82

Ref No
11
Part Number
90131-896-650
Description
BOLT, DRAIN PLUG (12X15)
Serial Range
1000001 - 9999999

Ref No
12
Part Number
90451-ZE1-000
Description
WASHER, THRUST (6MM)
Serial Range
1000001 - 9999999
Qty
Price
$1.98

Ref No
13
Part Number
90602-ZE1-000
Description
CLIP, GOVERNOR HOLDER
Serial Range
1000001 - 9999999
Qty
Price
$1.74

Ref No
14
Part Number
91001-ZL8-003
Description
BEARING, RADIAL BALL (62/28)
Serial Range
1000001 - 9999999
Qty
Price
$28.50

Ref No
15
Part Number
91202-ZL8-003
Description
OIL SEAL (28X41.25X6)
Serial Range
1000001 - 9999999
Qty
Price
$7.28

Ref No
16
Part Number
94101-06800
Description
WASHER, PLAIN (6MM)
Serial Range
1000001 - 9999999
Qty
Price
$0.82

Ref No
17
Part Number
94109-12000
Description
WASHER, DRAIN PLUG (12MM)
Serial Range
1000001 - 9999999
Qty
Price
$1.54

Ref No
18
Part Number
94251-08000
Description
PIN, LOCK (8MM)
Serial Range
1000001 - 9999999
Qty
Price
$1.54

Ref No
19
Part Number
94301-08200
Description
PIN, DOWEL (8X20)
Serial Range
1000001 - 9999999
Qty
Price
$2.82